華耐機器人源頭廠家
業務咨詢:
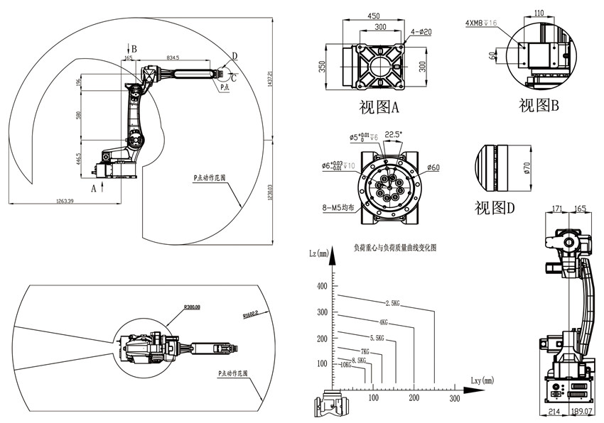
焊接機器人
焊接機器人1510
發布時間:2020-10-16閱讀數:2288
◇實心小臂,雙支撐結構,纖細狹長,剛性強,負載能力大。 ◇4、5、6關節采用諧波減速機,精度高。 ◇適用于氬弧焊、等離子切割、激光焊、激光切割、搬運、碼垛、機床上下料、拋光打磨。
上一篇: 多用途機器人JHY-1916
下一篇: 切割機器人
華耐機器人
電話:0311-80815335
業務咨詢:13932182008
工廠地址:河北省石家莊市欒城區電機路奧翔街6號
辦公地址:河北省石家莊市長安萬達寫字樓B座718 719室
網站版權所有©焊接機器人廠家-變位機-工業機器人-華耐機器人 丨 網站備案號: 冀ICP備18029854號-1 冀公網安備 13019902000669號 技術支持:七星網絡